
详情
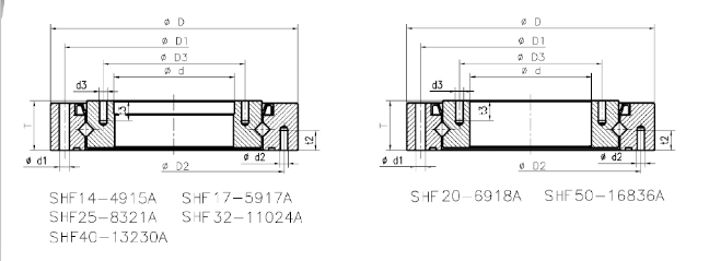
其结构为外圈和内圈均为整体型,适合于内圈和外圈都要求旋转精度高的部位;该系列设计为塞子孔装滚子的整体型结构,避免了安装过程中对轴承造成的不良影响;由于内外圈已经加工了安装孔,所以不需要固定法兰和支撑座,更加有利于安装,主要应用于机器人SHF/SHG系列谐波减速器。这种结构使得单一轴承就可以同时承受轴向载荷、径向载荷和倾覆力矩等各个方向的载荷,轴承具有很高的刚度、旋转精度以及复合承载能力;该类轴承外形紧凑,轴承自带有安装孔,便于客户直接安装,适合于各种不同类型的谐波减速机。
SHF50优米任务app下载型号参数
|
轴承型号 Designation |
外形尺寸 Dimensions(mm) |
额定负荷 Basic Load ratings(KN) |
重量 Weight |
|||||||||||||||
| d | D | T | D1 | D2 | D21 | D3 | n1-d1 | n2-d2 | n21-d21 | n3-d3 | d31 | t31 | rsmin | Cr | Cor | kg | ||
| SHF14-3516A | 38 | 70 | 15.1 | 64 | 64 | --- | 44 | 8-Φ3.5 | 2-M3 | --- | 12-M3 | --- | 5 | 0.5x45° | 5.4 | 7.1 | 0.28 | |
| SHF17-4216A | 47 | 80 | 17 | 74 | 74 | --- | 54 | 12-Φ3.5 | 4-M3 | --- | 20-M3 | --- | 5 | 0.5x45° | 10.4 | 14.2 | 0.39 | |
| SHF20-5016A | 54 | 90 | 18.5 | 84 | 84 | --- | 62 | 12-Φ3.5 | 4-M3 | --- | (16+4)-M3 | --- | 6 | 0.5x45° | 16.1 | 22.4 | 0.5 | |
| SHF25-6218A | 68 | 110 | 20.7 | 102 | 102 | --- | 77 | 12-Φ4.5 | 4-M3 | --- | (16-M4)+(4-M3) | --- | 6/8 | 0.5x45° | 17.8 | 27.4 | 0.81 | |
| SHF32-8022A | 88 | 142 | 24.4 | 132 | 132 | --- | 100 | 12-Φ5.5 | 4-M4 | --- | (16-M5)+(4-M4) | --- | 8 | 0.5x45° | 25.6 | 42 | 1.7 | |
| SHF40-9524A | 108 | 170 | 30 | 158 | 158 | --- | 122 | 12-Φ6.6 | 6-M4 | --- | (16-M6)+(4-M5) | --- | 8/10 | 0.5x45° | 42.1 | 68.4 | 2.79 | |
| SHF50-12031A | 135 | 214 | 36 | 200 | 200 | --- | 154 | 12-Φ9 | 6-M5 | --- | (16-M8)+(8-M5) | --- | 10/12 | 0.5x45° | 69.8 | 121.6 | 5.19 | |
- 上一篇:CSF型谐波减速器轴承
- 下一篇:SHF40优米任务app下载
推荐产品
联系电话:13698854768


